レーザー加工機製作(7) コントローラーの作成
今回はレーザ加工機コントローラーを作ります
前回からだいぶ時間があいてしまいました…
コンセプト
前回まで使用していたコントローラーは
リミットスイッチの扱いが全て一箇所で
まとめられていて制御するのに不便です
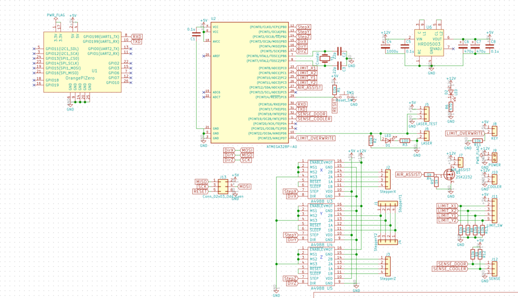
なので制御用のArduinoだけでなく
シングルボードコンピューター(SBC)も載せて
コントローラーを一箇所にまとめる
ということを目標に製作しました
設計
基板は安定のKiCadで設計します
Laserual?を利用させていただきました
回路図に起こします

Arduonoとして表面実装のATmega328P-AU
SBCとしてOrange Pi ZEROを載せました

小型ながらLinuxは動くしEthernetポートがあるので便利です
電源はステッピングモーターを動かすので12Vです
12Vから制御IC用に5Vに降圧するDCDCは余裕を持って3A出せるHRD05003を使いました
なんとか10cm x 8cmに詰め込みました
実装
今回はFusionPCBに発注しました
いざ組み立てようと思い
ピンアサインあってるかなとOrange Pi Zeroと見比べると表裏を間違えて設計していました…
苦肉の策で無理やり延長して解決を図ります
(解決なのかどうか怪しいが…動けばいい…)

電源がちゃんと動いたので他の部品も実装します

完成しました

実際に動かしたところA4988のステップ数の設定ピンが
すべてグランドに落ちていてフルステップ動作になっていました
プログラム上16ステップ動作でないと動作がおかしくなるし
分解能が下がるのでしかたなくジャンパして修正しました

まとめ
動けばいいですが見た目が悲しくなってしまったので悲しいです
ピンアサインは基板の裏表も含めて間違っていないか確認をしないといけません…
次回は外装含め電装も作り込みたいと思います
